技術電話:17301986536加盟電話:13689528587

輪輻式傳感器MK105
產品特點:MK105單向輪輻式測力傳感器采用優質合金鋼材質,高精度,高穩定性,低外形,安裝簡便、快速,表層鍍鎳防腐處理。
產品用途:MK105單向輪輻式測力傳感器適用于試驗機,汽車衡和大型料斗秤等。
量程: 0.5kN(0.05t)、1kN(0.1t)、2 kN(0.2t)、5 kN(0.5t)、10 kN(1t)、20 kN(2t)、50 kN(50t)、100 kN(10t)、200 kN(20t)、300 kN(30t)、500 kN(50t)、600 kN(60t)、 1000 kN(100t)、2000 kN(200t)、3000kN (300t)
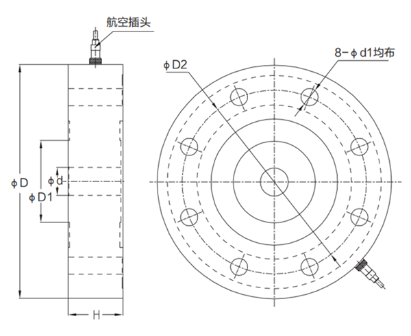
技術參數及外形尺寸:
序號 | 產品技術參數 | |
1 | 額定載荷 | 0.05-200t |
2 | 綜合精度 | ≤0.05/0.1%F.S |
3 | 靈敏度 | 1.5-2.5mV/V |
4 | 非線性 | ≤0.05/0.1%F.S |
5 | 滯后 | ≤0.05/0.1%F.S |
6 | 重復性 | ≤0.05%F.S |
7 | 輸入阻抗 | 380/760Ω |
8 | 輸出阻抗 | 350/700Ω |
9 | 絕緣阻抗 | ≥2000MΩ |
10 | 靈敏度系數溫度影響 | <0.05%F.S/10℃ |
11 | 零點溫度影響 | <0.05%F.S/10℃ |
12 | 推薦激勵電壓 | 10V(DC) |
13 | 適用溫度范圍 | -30~70℃ |
14 | 安全過載 | 120%F.S |
15 | 接線方式 | 紅……E+(電源正) 黑……E-(電源負) 綠……S+(信號正) 白……S-(信號負) |


密克傳感器(深圳)有限公司是傳感器源頭生產廠家,致力于測力傳感器的研發生產。產品達百余種,廣泛應用于各種工業自動化、機器人、化工、食品、冶金以及醫療等新型和智能化高端領域。按結構分有輪輻式傳感器,S型傳感器,波紋管傳感器,法蘭盤傳感器,柱式傳感器,扭矩傳感器,平行梁傳感器,拉力傳感器等等,按功能應用場景分有試驗機專用傳感器,攪拌站傳感器,稱重傳感器,包裝機傳感器,壓裝機傳感器,價格美麗,可定制。
密克斯生產的MK105單向輪輻式測力傳感器適用于試驗機,汽車衡和大型料斗秤等。。
