技術電話:17301986536加盟電話:13689528587

輪輻式傳感器MK106
產品特點:MK106內螺紋輪輻式測力傳感器采用低截面的緊湊設計,合金鋼無電解鍍鎳處理,具有高輸出小變形,偏心加載補償等特點。
產品用途:MK106內螺紋輪輻式測力傳感器適用于試驗機等力量測量。
量程: 2 kN(200kg)、5 kN(500kg)、10 kN(1t)、15 kN(1.5t)、25 kN(2.5t)、50 kN(5t)、100 kN(10t)、200 kN(20t)、300 kN(30t)、500 kN(50t)、1000 kN(100t)
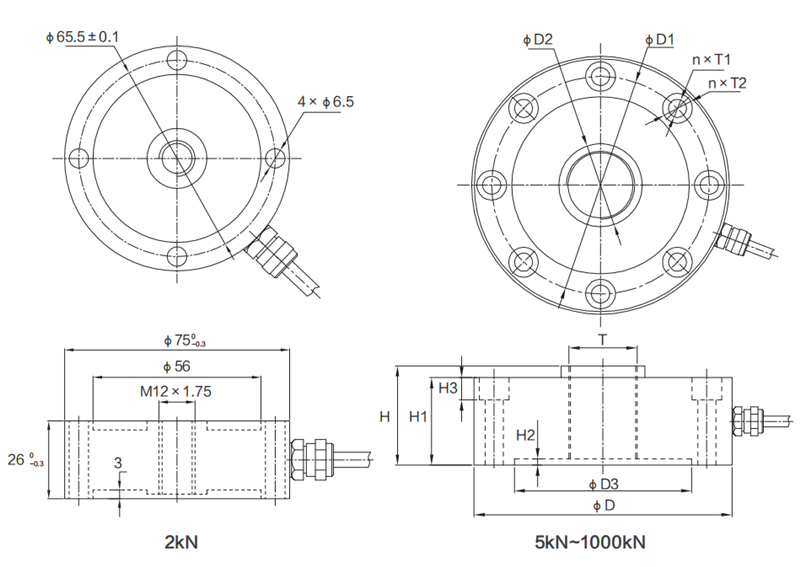
技術參數及外形尺寸:
序號 | 產品技術參數 | |
1 | 額定載荷 | 2kN-1000kN |
2 | 綜合精度 | ≤0.05%F.S |
3 | 靈敏度 | 3.0mV/V |
4 | 輸入阻抗 | 385±5Ω/1210±20Ω(200kg) |
5 | 輸出阻抗 | 350±3Ω/1050±20Ω(200kg) |
6 | 絕緣阻抗 | ≥5000MΩ |
7 | 補償溫度范圍 | -10~40℃ |
8 | 適用溫度范圍 | -30~70℃ |
9 | 安全過載 | 120%F.S |
10 | 材質 | 不銹鋼/合金鋼 |
11 | 激勵電壓 | 10V(DC/AC) |
12 | 密封等級 | IP67 |
13 | 接線方式 | 紅……E+(輸入正) 黑……E-(輸入負) 綠……S+(輸出正) 白……S-(輸出負) |

量程(kN) | 量程(t) | D | D1 | D2 | D3 | H | H1 | H2 | H3 | T | n×T1 | n×T2 |
5-10 | 0.5-1 | 90 | 78 | 22 | 65 | 43 | 40 | 3.0 | 6 | M12×1.75 | 8×Φ6.6 | 8×Φ10.5 |
15-25 | 1.5-2.5 | 105 | 89 | 32 | 75 | 35 | 32 | 3.0 | 7.2 | M16×2 | 8×Φ7.2 | 8×Φ10.5 |
50-100 | 5-10 | 138 | 110 | 44 | 88 | 46 | 41 | 3.0 | 12 | M27×2 | 8×Φ13.2 | 8×Φ19 |
200-300 | 20-30 | 165 | 130 | 55 | 96 | 50 | 41 | 3.0 | 20 | M36×2 | 8×Φ21 | 8×Φ31 |
500 | 50 | 234 | 194 | --- | 150 | 60 | 55 | 4.7 | 22 | M52×2-6H | 16×Φ21 | 16×Φ32 |
1000 | 100 | 258 | 218 | --- | 174 | 60 | 57 | 3.0 | 22 | M76×2 | 16×Φ21 | 16×Φ32 |
密克傳感器(深圳)有限公司是傳感器源頭生產廠家,致力于測力傳感器的研發生產。產品達百余種,廣泛應用于各種工業自動化、機器人、化工、食品、冶金以及醫療等新型和智能化高端領域。按結構分有輪輻式傳感器,S型傳感器,波紋管傳感器,法蘭盤傳感器,柱式傳感器,扭矩傳感器,平行梁傳感器,拉力傳感器等等,按功能應用場景分有試驗機專用傳感器,攪拌站傳感器,稱重傳感器,包裝機傳感器,壓裝機傳感器,價格美麗,可定制。
密克斯生產的MK106內螺紋輪輻式測力傳感器適用于試驗機等力量測量。
