技術電話:17301986536加盟電話:13689528587

輪輻式傳感器MK120
產品名稱:MK120內螺紋輪輻式稱重傳感器
產品特點:MK120內螺紋輪輻式稱重傳感器采用低截面的緊湊設計,合金鋼表層鍍鎳防腐處理,具有高輸出,高穩定性,低外形,偏心加載補償等特點。
產品用途:MK120內螺紋輪輻式稱重傳感器適用于皮帶秤、汽車衡、料斗秤及材料力學試驗機等測力設備等。
量程:10 kN(1t)、20 kN(2t)、50 kN(5t)、100 kN(10t)
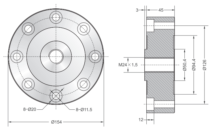
MK120:1t/2t 技術參數及外形尺寸:
序號 | 產品技術參數 | |
1 | 額定載荷 | 1t,2t |
2 | 靈敏度 | 2.0mV/V±0.25% |
3 | 蠕變 | ±0.03%F.S |
4 | 非線性 | ±0.1%F.S |
5 | 滯后 | ±0.1%F.S |
6 | 重復性 | ±0.03%F.S |
7 | 輸入阻抗 | 380±20Ω |
8 | 輸出阻抗 | 350±5Ω |
9 | 絕緣阻抗 | ≥5000MΩ |
10 | 靈敏度系數溫度影響 | ≦0.002%F.S/℃ |
11 | 零點溫度影響 | ≦0.002%F.S/℃ |
12 | 推薦激勵電壓 | 10V(DC) |
13 | 適用溫度范圍 | -10~70℃ |
14 | 溫度補償范圍 | -10~40℃ |
15 | 安全過載 | 120%F.S |
16 | 接線方式 | 紅……E+(輸入正) 黑……E-(輸入負) 綠……S+(輸出正) 白……S-(輸出負) |

MK120:5t/10t 技術參數及外形尺寸:
序號 | 產品技術參數 | |
1 | 額定載荷 | 5t,10t |
2 | 靈敏度 | 3.0mV/V±0.25% |
3 | 蠕變 | ±0.03%F.S |
4 | 非線性 | ±0.03%F.S |
5 | 滯后 | ±0.03%F.S |
6 | 重復性 | ±0.03%F.S |
7 | 輸入阻抗 | 387±20Ω |
8 | 輸出阻抗 | 350±5Ω |
9 | 絕緣阻抗 | ≥5000MΩ |
10 | 靈敏度系數溫度影響 | ≦0.002%F.S/℃ |
11 | 零點溫度影響 | ≦0.002%F.S/℃ |
12 | 推薦激勵電壓 | 10V(DC) |
13 | 適用溫度范圍 | -10~70℃ |
14 | 溫度補償范圍 | -10~40℃ |
15 | 安全過載 | 150%F.S |
16 | 接線方式 | 紅……E+(輸入正) 黑……E-(輸入負) 綠……S+(輸出正) 白……S-(輸出負) |

密克傳感器(深圳)有限公司是傳感器源頭生產廠家,致力于測力傳感器的研發生產。產品達百余種,廣泛應用于各種工業自動化、機器人、化工、食品、冶金以及醫療等新型和智能化高端領域。按結構分有輪輻式傳感器,S型傳感器,波紋管傳感器,法蘭盤傳感器,柱式傳感器,扭矩傳感器,平行梁傳感器,拉力傳感器等等,按功能應用場景分有試驗機專用傳感器,攪拌站傳感器,稱重傳感器,包裝機傳感器,壓裝機傳感器,價格美麗,可定制。
密克斯生產的MK120內螺紋輪輻式稱重傳感器適用于皮帶秤、汽車衡、料斗秤及材料力學試驗機等測力設備等。
