技術電話:17301986536加盟電話:13689528587

輪輻式傳感器MK122
產品名稱:MK122 膜合式稱重傳感器
產品特點:MK122膜合式稱重傳感器,采用優質不銹鋼材質,高精度,高穩定性,低外形,安裝簡便、快速,表層鍍鎳防腐處理。
產品用途:MK122膜合式稱重傳感器適用于各種惡劣環境下的力值的檢測。
量程: 3 kN(300kg)、5 kN(500kg)、10 kN(1t)、20 kN(2t)、50 kN(5t)、100 kN(10t)、200 kN(20t)、300 kN(30t)
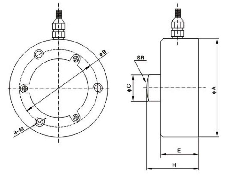
技術參數及外形尺寸:
序號 | 產品技術參數 | |
1 | 額定載荷 | 3-300(kN) |
2 | 綜合精度 | 0.03-0.5%F.S |
| 3 | 靈敏度 | 2.0mV/V |
4 | 零點平衡 | ±0.1%F.S |
5 | 蠕變 | ±0.6%F.S |
6 | 滯后 | ±0.6%F.S |
7 | 重復性 | ±0.6%F.S |
8 | 絕緣阻抗 | ≥2000MΩ |
9 | 靈敏度系數溫度影響 | ±0.1%F.S/10℃ |
10 | 零點溫度影響 | ±0.1%F.S/10℃ |
11 | 推薦激勵電壓 | 15V-18V(DC) |
12 | 激勵電壓范圍 | 6-12V(DC) |
13 | 溫度補償范圍 | -10~70℃ |
14 | 適用溫度范圍 | -30~70℃ |
15 | 安全過載 | 120%F.S |
16 | 接線方式 | 紅……E+(輸入正) 黑……E-(輸入負) 綠……S+(輸出正) 白……S-(輸出負) |

型號 | 量程(kN) | 量程(t) | ΦA | BΦ | ΦC | H | E | M | SR |
| MK122 | 3-10 | 0.3-1 | 78 | 64 | 15 | 40 | 32 | M6 | 40 |
20-100 | 2-10 | 82 | 66 | 22 | 44 | 32 | M8 | 50 | |
150-300 | 15-30 | 127 | 90 | 25 | 70 | 62 | M10 | 60 |
密克傳感器(深圳)有限公司是傳感器源頭生產廠家,致力于測力傳感器的研發生產。產品達百余種,廣泛應用于各種工業自動化、機器人、化工、食品、冶金以及醫療等新型和智能化高端領域。按結構分有輪輻式傳感器,S型傳感器,波紋管傳感器,法蘭盤傳感器,柱式傳感器,扭矩傳感器,平行梁傳感器,拉力傳感器等等,按功能應用場景分有試驗機專用傳感器,攪拌站傳感器,稱重傳感器,包裝機傳感器,壓裝機傳感器,價格美麗,可定制。
密克斯生產的MK122膜合式稱重傳感器適用于各種惡劣環境下的力值的檢測。
