技術電話:17301986536加盟電話:13689528587

S型傳感器MK209
產品特點:MK209 方S型拉壓傳感器承受拉、壓外力均可,輸出對稱性好,結構緊湊、安裝方便、規格齊全。內置變送器,24V或12V供電,4-20mA輸出。
產品用途:MK209 方S型拉壓傳感器適用于制造機電結合秤、吊鉤秤、料斗秤及各種專用秤、工藝秤等。
量程: 3kN(300kg)、5 kN(500kg)
序號 | 產品技術參數 | |
1 | 額定載荷 | 300kg、500kg |
2 | 靈敏度 | ≥2.0mV/V |
3 | 綜合精度 | ≤0.03%F.S |
4 | 非線性 | ≤0.2%F.S |
5 | 重復性 | ≤0.2%F.S |
6 | 滯后 | ≤0.2%F.S |
7 | 輸入電阻 | 400Ω±5Ω |
8 | 輸出電阻 | 350Ω±2 |
9 | 零點溫度系數 | ±0.03%F.S/10°C |
10 | 絕緣電阻 | ≥5000MΩ |
11 | 激勵電壓 | 10-12VDC |
12 | 工作溫度范圍 | -10°C~+70°C |
13 | 允許過負荷 | 120%F.S |
14 | 接線方式 | 紅……E+(輸入正) 黑……E-(輸入負) 綠……S+(輸出正) 白……S-(輸出負) |

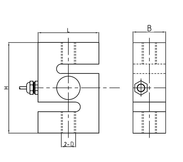
型號 | 量程(kN) | 量程 | L | H | B | D |
| MK209 | 3,5 | 300kg,500kg | 60 | 70 | 24 | M12x1.75 |
密克傳感器(深圳)有限公司是傳感器源頭生產廠家,致力于測力傳感器的研發生產。產品達百余種,廣泛應用于各種工業自動化、機器人、化工、食品、冶金以及醫療等新型和智能化高端領域。按結構分有輪輻式傳感器,S型傳感器,波紋管傳感器,法蘭盤傳感器,柱式傳感器,扭矩傳感器,平行梁傳感器,拉力傳感器等等,按功能應用場景分有試驗機專用傳感器,攪拌站傳感器,稱重傳感器,包裝機傳感器,壓裝機傳感器,價格美麗,可定制。
密克斯生產的MK209 方S型拉壓傳感器適用于制造機電結合秤、吊鉤秤、料斗秤及各種專用秤、工藝秤等。
