技術電話:17301986536加盟電話:13689528587

懸臂梁傳感器MK503
產品特點:MK503懸臂梁式稱重傳感器采用優質合金鋼,激光焊接密封,防護等 級IP68。安裝高度低,長期穩定性好,結構緊湊,防爆性能高。
產品用途:MK503懸臂梁式稱重傳感器適用于地上衡、化工、食品、醫藥等行業配料稱重控制。
量程:2.5 kN(250kg)、5 kN(500kg)、10 kN(1t)、20 kN(2t)、30 kN(3t)、50 kN(5t)
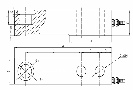
技術參數及外形尺寸:
序號 | 產品技術參數 | |
1 | 額定載荷 | 0.25-5t |
2 | 綜合精度 | ≤0.05%F.S |
3 | 靈敏度 | 2.0mV/V |
4 | 輸入阻抗 | 385±15Ω |
5 | 輸出阻抗 | 351±3Ω |
6 | 絕緣阻抗 | ≥5000MΩ |
7 | 補償溫度范圍 | -10~40℃ |
8 | 適用溫度范圍 | -30~70℃ |
9 | 安全過載 | 120%F.S |
10 | 密封等級 | IP68 |
11 | 材質 | 合金鋼 |
12 | 激勵電壓 | 10V(DC/AC) |
13 | 接線方式 | 紅……E+(輸入正) 黑……E-(輸入負) 綠……S+(輸出正) 白……S-(輸出負) |

型號 | 量程(kN) | 量程(t) | A | B | C | D | E | F | G | H | K | M | N | P | Q |
| MK503 | 2.5-10 | 0.25-1 | 133.4 | 76.2 | 25.4 | 16.4 | 30.7 | 30 | 57.9 | 17 | 4.8 | 12.7 | 22 | 15.9 | 0.38 |
20 | 2 | 136.7 | 76.2 | 25.4 | 16.7 | 36.8 | 36.6 | 57.9 | 23 | 9.5 | 12.7 | 22 | 15.9 | 0 | |
30 | 3 | 139.7 | 79.2 | 25.4 | 16.7 | 39 | 36.6 | 57.9 | 23 | 9.5 | 15 | 22 | 15.9 | 0 | |
50 | 5 | 171.5 | 95.2 | 38.1 | 16.7 | 42.9 | 43 | 73.8 | 29.4 | 11 | 19 | 34.9 | 22.2 | 0 |
密克傳感器(深圳)有限公司是傳感器源頭生產廠家,致力于測力傳感器的研發生產。產品達百余種,廣泛應用于各種工業自動化、機器人、化工、食品、冶金以及醫療等新型和智能化高端領域。按結構分有輪輻式傳感器,S型傳感器,波紋管傳感器,法蘭盤傳感器,柱式傳感器,扭矩傳感器,平行梁傳感器,拉力傳感器等等,按功能應用場景分有試驗機專用傳感器,攪拌站傳感器,稱重傳感器,包裝機傳感器,壓裝機傳感器,價格美麗,可定制。
密克斯生產的MK503懸臂梁式稱重傳感器適用于地上衡、化工、食品、醫藥等行業配料稱重控制。
